Котел 0.8 МВт угольный в Кандыагаше

Угольный котел 0.8 МВт
Котел 0.8 МВт угольный
Котел 0.8 МВт угольный с колосниками чертеж
Котел 0.8 МВт угольный чертеж
Угольный котел 0.8 МВт водогрейный
Водогрейный угольный котел 0.8 МВт
Угольный котел 0.8 МВт промышленный
Промышленный угольный котел 0.8 МВт
Угольный котел с золоуловителем 0.8 МВт
Котел 0.8 МВт угольный с золоуловителем
Угольный котел 0.8 МВт - изготовление
Изготовление угольного котла 0.8 МВт
Угольный промышленный котел 0.8 МВт - изготовление
Изготовление угольного промышленного котла 0.8 МВт
Угольный котел 0.8 МВт - колосниковая топка
Колосниковая топка угольного котла 0.8 МВт
Котел угольный 0.8 МВт - обмуровка
Обмуровка угольного котла 0.8 МВт
Шибер газохода к угольному котлу 0.8 МВт
Шибер газохода угольного котла 0.8 МВт
Угольные котлы 0.8 МВт - производство
Производство угольных котлов 0.8 МВт
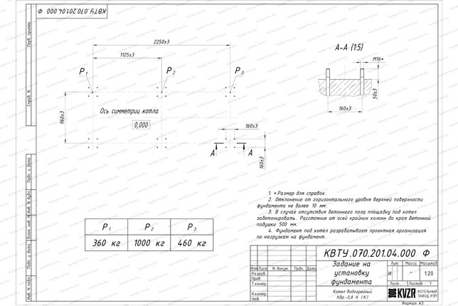
Чертеж изготовления фундамента котла 0.8 МВт угольного с колосниками
Чертеж фундамента котла 0.8 МВт на угле
Угольный котел 0.8 МВт
Котел 0.8 МВт угольный с колосниками чертеж
Угольный котел 0.8 МВт водогрейный
Угольный котел 0.8 МВт промышленный
Угольный котел с золоуловителем 0.8 МВт
Угольный котел 0.8 МВт - изготовление
Угольный промышленный котел 0.8 МВт - изготовление
Угольный котел 0.8 МВт - колосниковая топка
Котел угольный 0.8 МВт - обмуровка
Шибер газохода к угольному котлу 0.8 МВт
Угольные котлы 0.8 МВт - производство
Чертеж изготовления фундамента котла 0.8 МВт угольного с колосниками
Цена
4 299 360 ₸
От 4 299 360 ₸ с доставкой до г.
  • Самая простая модель с ручной колосниковой топкой
  • Удобно размещается в маленьких помещениях котельных
  • Работает с дымососом и вентилятором
  • Тяга и дутье регулируются шиберами, входящими в комплект поставки
  • Повышенная надежность работы котла обеспечивается изготовлением трубной системы из трубы сталь 10-20

Технические характеристики котла 0.8 МВт угольного

МаркаКотел 0.8 МВт угольный
ВидВодогрейный
Тип отопительного котлаТвердотопливный
БрендHEATEXPERT
ТипКотел КВр
Вид топкиРучная, Колосники
Максимальная тепловая мощность0.8 МВт
Максимальная тепловая мощность800 кВт
Максимальная тепловая мощность0.69 Гкал
Диапазон регулирования мощности50-100 %
ТопливоТвердое, Уголь
Низшая теплота сгорания проектного топлива5230 кКал/кг
КПД котла на УГЛЕ, не менее82 %
Расход УГЛЯ среднечасовой за отопительный сезон90.9 кг/ч
Расход УГЛЯ при максимальной нагрузке котла159 кг/ч
Расход условного топлива119 кг/ч
Минимальная температура воды на входе в котел55 °С
Максимальная температура воды на выходе из котла115 °С
Давление воды, не более0.3-0.6 (3-6) МПа (кгс/см²)
Номинальный расход теплоносителя28 м³/ч
Расход теплоносителя через котел min-max21-34 м³/ч
Гидравлическое сопротивление при номинальном расходене более 0.07 (0.7) МПа (кгс/см²)
Аэродинамическое сопротивление205 (20.5) Па (мм. вод. ст.)
Разряжение в топочной камере20-40 (2-4) Па (мм. вод. ст.)
Объем уходящих газов2500 м³/ч
Температура уходящих газов250 °С
ТягаУравновешенная
Водяной объем котла600 л
Объем топочной камеры2.1 м³
Размер топочной камеры, длина*ширина*высота1465х960х1500 мм
Активная площадь решетки горения1.4 м²
Присоединительные размеры по водяному тракту80 Ду
Присоединительные размеры газохода уходящих газов, ширина*высота / сечение600х200 / 0.12 мм/м²
Габаритные размеры котла, длина*ширина*высота2700х1600х2150 мм
Масса2500 кг
Конструкция котлаВодотрубная
Количество контуровОдноконтурный
РазмещениеНапольный
Тип камеры сгоранияОткрытый
УправлениеЭлектронное
Принцип работы твердотопливного котлаКлассический
ЭнергонезависимыйНет
Тип питанияТрехфазное
Встроенный циркуляционный насосНет
Встроенный расширительный бакНет
ЭнергоэффективностьВысокая
Отапливаемая площадьот 6200 до 8900 м²
Отапливаемый объемот 18500 до 26500 м³

Котел 0.8 МВт угольный в Кандыагаше

Промышленный угольный котел мощностью 0.8 МВт – современный, компактный, горизонтального расположения, с ручной загрузкой топлива, предназначен для отопления и горячего водоснабжения бытовых зданий и промышленных котельных.

Водогрейный котел 0.8 МВт на угле имеет следующие технические характеристики:

  • мощность – 0.8 МВт, 800 кВт, 0,69 Гкал;
  • топливо - каменный и бурый уголь;
  • температура - до 115 °С;
  • давление - 0.3 – 0.6 МПа.

Котел 0.8 МВт на угле устройство

Стальной отопительный котел 0,8 МВт на угле состоит из топочной и конвективной частей, расположенных горизонтально.

Топочная часть. Камера горения изготовлена из стальных водозаполненных панелей для исключения перегрева конструкции. Топка выполнена в газоплотном исполнении. Газоплотность исключает присосы холодного воздуха в топочную часть и выход дымовых газов в котельный зал.

Чугунные колосники укладываются в топку и образуют колосниковую решетку, необходимую для поддержания слоя топлива. Колосники имеют щелевидные отверстия, которые снизу расширяются. Отверстия необходимы для провала золы и шлака в зольник и подвода воздуха на горение. Подвод воздуха осуществляется принудительно при помощи вентилятора. Расход воздуха регулируется шибером.

Конвективная часть. Конвективная поверхность нагрева выполнена из параллельно установленных в шахматном порядке труб. Шахматное расположение способствует более полному омыванию труб горячими газами.

Развитая конвективная часть снижает температуру уходящих газов на выходе из теплоагрегата до 200-180 °С. Горячие газы, проходя плотную конвективную ступень, максимально отдают тепло теплоносителю, позволяя экономить на топливе. Очистка поверхностей нагрева проводится через люки в обшивке.

Множественные перегородки увеличивают скорость потока воды в трубной системе водонагревательного котла. Это исключает застойные зоны и перегрев поверхностей нагрева. Для выпуска воздуха при заполнении котла водой во всех верхних коллекторах установлены штуцера с запорной арматурой.

Для продувки и дренажа в нижних коллекторах установлены дренажные штуцера с запорной арматурой. Стационарный нагревательный котел 0 8 МВт изготавливается со съемной, облегченной теплоизоляцией из плит ПТЭ. Обшивка производится из стальных листов.

Принцип работы угольных котлов 0,8 МВт

Уголь в водогрейный колосниковый котел 0.8 на угле укладывается через чугунную дверку, расположенную на фронте теплогенератора. Распределение свежего угля по колосниковой решетке должно быть равномерным высотой не более 200 мм.

Образующиеся в камере горения дымовые газы выходят через окно на задней стенке топки, проходят две конвективных ступени и выводятся в выходное окно на задней стенке котлоагрегата. На выходном окне установлен поворотный шибер, позволяющий регулировать тягу.

Зола и шлак из зольника через дверку выгребаются и удаляются в отвал.

Регулирование мощности котла

Регулировка производительности и температуры производственного теплового угольного котла 0.8 МВт производится изменением количества забрасываемого топлива и подачи воздуха. Подача воздуха регулируется шибером вентилятора. Тяга настраивается регулировкой шибера на дымоходе за котлом.

Комплект поставки

Цена на напольные котлы 0 8 МВт угольные включает базовую комплектацию. В состав базовой комплектации входит: котельный блок, топка, колосники, затворы, предохранительные клапаны, вентили, манометры, термометры, трехходовые краны.

Дополнительная комплектация

  • автоматика – обеспечивает управление и безопасность котла;
  • дымосос – создает разряжение в котле и исключает попадание дыма в помещение;
  • золоуловитель – применяется для улавливания золы из дымовых газов;
  • циркуляционный насос - обеспечивает циркуляцию воды в котлоагрегате;
  • подпиточный насос – позволяет пополнять объем теплоносителя в контуре;
  • дымовая труба – удаляет дымовые газы от котла за пределы помещения и рассеивает их в атмосфере. Подбирается по техзаданию.

Купить угольный котел 0.8 МВт

Для того чтобы купить угольный водогрейный котел 0,8 МВт российского производства в Кандыагаше вы можете сделать заявку по телефону +7-7172-69-59-73, либо оформить заявку онлайн. Менеджеры дадут консультацию по подбору вспомогательного оборудования для выбранных вами моделей и рассчитают стоимость доставки. Транспортирование котлоагрегата и вспомогательного оборудования до объекта осуществляется автомобильным транспортом.

Комплект поставки котла 0.8 МВт угольного

Вентилятор
Вентилятор 2 с дв. 2,2/3000
1 штука
Затвор Ду 80
Затвор Ду 80
2 штуки
Колосники котлов
Колосник 840x220
6 штук
Клапан предохранительный Ду 50
Клапан Ду 50
1 штука
Клапан обратный
Клапан обратный
1 штука
Манометр МП 160
Манометр МП 160
2 штуки
Кран трехходовой ДУ 15
Кран Ду 15
2 штуки
Термометр ТТЖО
Термометр ТТЖО
2 штуки
Оправа термометра ОПТ
Оправа ОПТ
2 штуки
Вентиль Ду 15
Вентиль Ду 15
4 штуки
Вентиль Ду 20
Вентиль Ду 20
9 штук

Вспомогательное оборудование для работы котла 0.8 МВт угольного

Насос К консольный
К 80-65-160
Цена 455 376 тг.
Насос К консольный
К 50-32-125
Цена 283 656 тг.
Насос TD
Насос TD40-36G2 (5.5 кВт)
Цена 1 225 572 тг.
Насос TD
Насос TD50-28G2 (4 кВт)
Цена 945 732 тг.
Насос CHL
Насос CHL4-40 (0.75 кВт)
Цена 352 344 тг.
Дымосос ДН 3.5
Цена 355 524 тг.
Золоуловитель ЗУ 0.8
Цена 311 640 тг.
Дымосос ДН 6.3
Цена 644 904 тг.

Аналоги котла 0.8 МВт угольного

Котел 0.8 с топкой ОУР
Котел 0.8 с ОУР
Вид топкиРучная, ОУР
Максимальная тепловая мощность, МВт0.8
ТопливоТвердое, Уголь
Отапливаемая площадь, м²от 6200 до 8900
Цена 4 165 800 тг.
Котел 0.8 МВт дрова уголь
Котел 0.8 МВт уголь дрова
Вид топкиРучная, Колосники, ОУР
Максимальная тепловая мощность, МВт0.8
ТопливоТвердое, Уголь, Дрова
Отапливаемая площадь, м²от 6200 до 8900
Цена 4 515 600 тг.
Котел КВм 0.8 МВт с топкой РПК
Котел КВм 0.8 МВт с РПК
Вид топкиМеханическая, РПК
Максимальная тепловая мощность, МВт0.8
ТопливоТвердое, Уголь
Отапливаемая площадь, м²от 6200 до 8900
Цена 5 660 400 тг.
Угольный котел 0.7 МВт
Котел 0.7 МВт угольный
Вид топкиРучная, Колосники
Максимальная тепловая мощность, МВт0.7
ТопливоТвердое, Уголь
Отапливаемая площадь, м²от 5400 до 7700
Цена 4 114 920 тг.
Угольный котел 1.0 МВт
Котел 1.0 МВт угольный
Вид топкиРучная, Колосники
Максимальная тепловая мощность, МВт1
ТопливоТвердое, Уголь
Отапливаемая площадь, м²от 7700 до 11000
Цена 5 037 120 тг.

Сертификат и качество котла 0.8 МВт угольного

Сертификат на водогрейные котлы на твердом и жидком топливе
Сертификат на водогрейные котлы на твердом топливе

Собственное производство

Котельный завод производит
  • Паровые котлы от 300 кг до 2.5 тонны пара в час
  • Промышленные водогрейные котлы от 150 КВт до 4 МВт на всех видах топлива
  • Механические топки ТШПМ, шурующая планка и ТЛПХ, ленточное полотно прямого хода
  • Циклоны для очистки воздуха и дымовых газов для производств и промышленных отраслей
  • Транспортеры и системы топливоподачи и шлакоудаления
Подробнее о производстве
Собственное производство
Смотреть видео
с производства